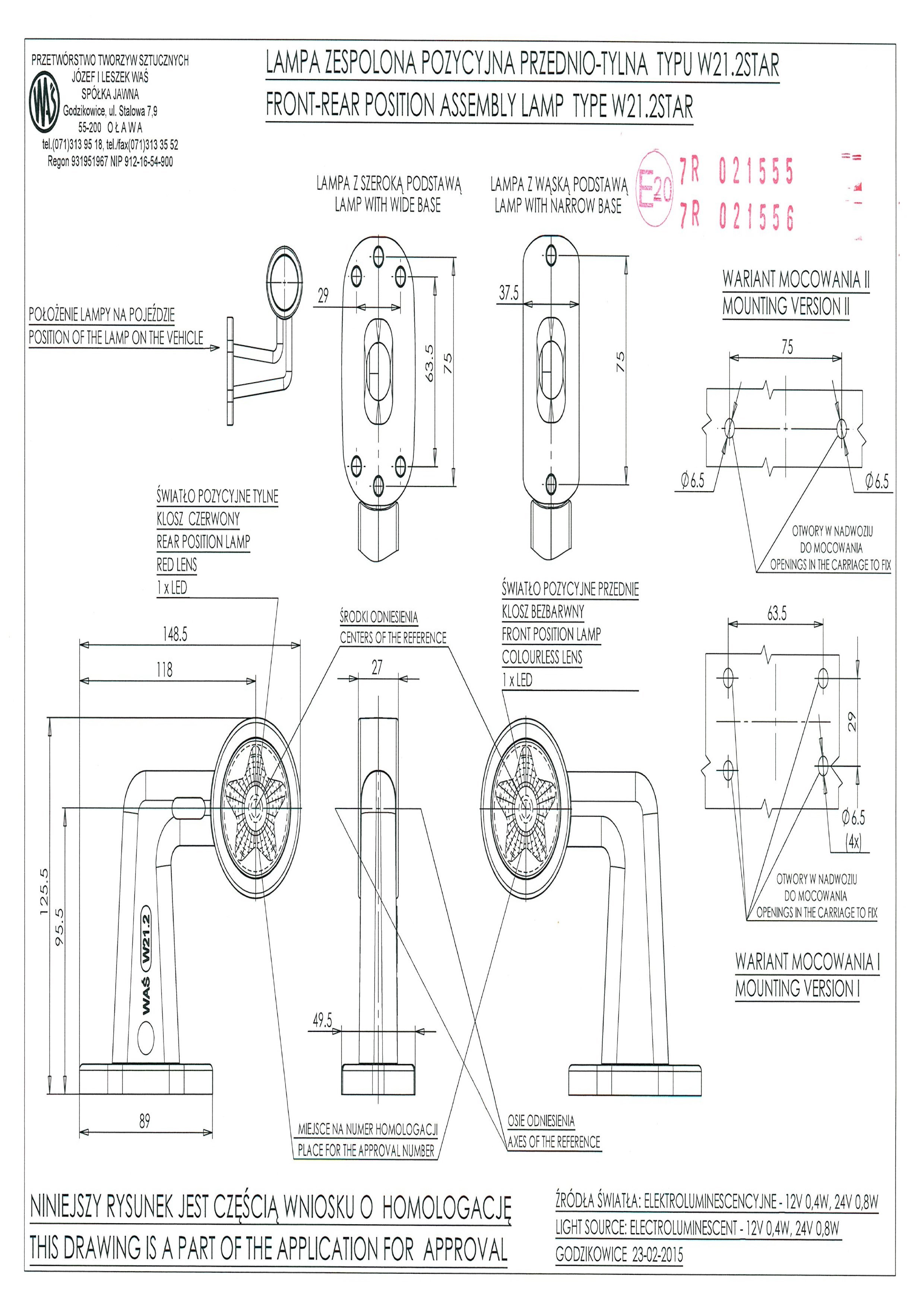
Фонарь габаритный передне-задний
W21.2STAR
Фонарь "рожок" габаритный передне-задний 12/24 V с диодами в виде звезды
Кат.номер | 874L/I |
Провод | 23cm LgY-S 0,75mm2 |
Источник света | Светодиод |
Сторона монтажa | левая |
Рабочее напряжение | 12V-24V |
Степень защиты | IP 66/68 |
Задний габаритный огонь | lens |
Передний габаритный огонь | lens |
Световой поток | |
№ Аналога |
334 грн
Схема монтажа
